行业案例
数控机床

五轴加工中心

数控机床

取代丝杆,X/Y/Z轴快移速度60m/min,最小增量输入0.1μm,加速度0.5g以上; A轴最高转速60rpm,额定扭矩1800Nm,定位精度±4″,重复定位精度±2.5″; C轴最高转速100rpm,额定扭矩800Nm,定位精度±4″,重复定位精度±2.5″。

详情>

项目需求

取代丝杆,X/Y/Z轴快移速度60m/min,最小增量输入0.1μm,加速度0.5g以上; A轴最高转速60rpm,额定扭矩1800Nm,定位精度±4″,重复定位精度±2.5″; C轴最高转速100rpm,额定扭矩800Nm,定位精度±4″,重复定位精度±2.5″。


解决方案

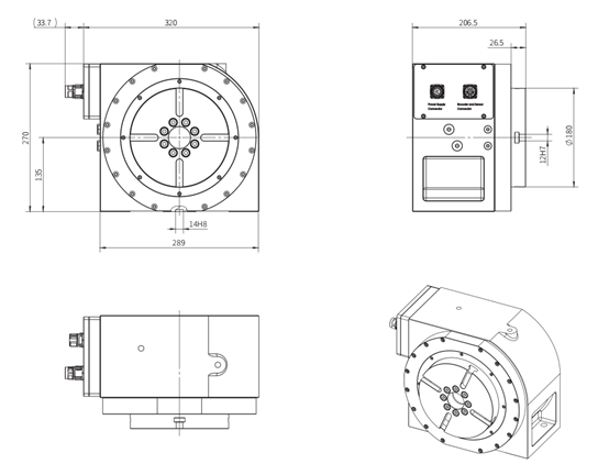
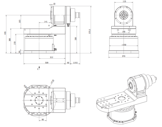
X/Y/Z轴采用Akribis直线电机+绝对式光栅尺反馈,A/C轴采用Akribis摇篮式ATRT系列直驱转台。



主要参数

机床参数

电机配置X轴Akribis 直线电机
Y轴Akribis 直线电机
Z轴Akribis 直线电机

A/C轴Akribis 直驱转台
行程(mm)X轴行程650
Y轴行程650
Z轴行程600
机床精度X/Y/Z 轴定位精度(VDI3441) (mm)0.005/0.005/0.005
X/Y/Z 轴重复定位精度(VDI3441) (mm)0.003/0.003/0.003
X/Y/Z 光栅尺分辨率 (μm)0.01/0.01/0.01

A/C 轴定位精度(VDI3441) (mm)
8/8

A/C 轴重复定位精度(VDI3441) (mm)5/5
进给速度G0 快移速度 (X/Y/Z) (m/min)60/60/60
切削进给速度 (X/Y/Z) (m/min)30/30/30
加速度 (X/Y/Z) (m/s?)5/5/5
最小增量输入 (mm)0.0001
A/C转台参数A/C 最高转速 (rpm)60/100
A/C 额定扭矩 (Nm)1800/800
A/C 抱紧扭矩 (Nm)5000/2000
A/C 转角范围±130°/ N×360°
数控系统/海德汉 TNC640/西门子840D