产品中心
AWM系列
无刷无铁芯直线电机 真空兼容 (高达 1×10-7 Torr) AWM系列无刷无铁芯直线电机采用无铁芯技术,具有真空兼容,无齿槽力,较大的持续推力和峰值力。
下载附件:
技术参数
  • 产品介绍
  • 规格参数
  • 尺寸图
  • 订购信息

设计特点:

A. 无铁芯技术

B. 真空兼容(RGA测试)

C. 无齿槽力

D. 高电机常数

E. 大持续力和峰值力


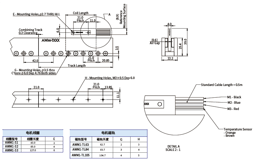
AWM1

电机线圈线圈长度(mm)持续推力(N)峰值推力(N)
AWM1-S1

43.0

4.522.3
AWM1-S285.08.944.7
AWM1-S3127.013.467.0

 

电机磁轨磁轨长度(mm)
AWM1-TL6362.7
AWM1-TL8483.7
AWM1-TL105104.7

 

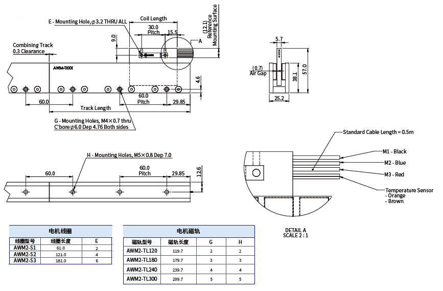
AWM2

电机线圈线圈长度(mm)持续推力(N)峰值推力(N)
AWM2-S161.013.567.4
AWM2-S2121.027.0134.9
AWM2-S3181.040.5202.3

 

电机磁轨磁轨长度(mm)
AWM2-TL120119.7
AWM2-TL180179.7
AWM2-TL240239.7
AWM2-TL300299.7

 

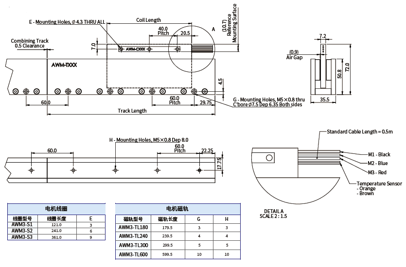
AWM3

电机线圈线圈长度(mm)持续推力(N)峰值推力(N)
AWM3-S1121.047.0240.1
AWM3-S2241.094.0480.2
AWM3-S3361.0140.9720.4

 

电机磁轨磁轨长度(mm)
AWM3-TL180179.5
AWM3-TL240239.5
AWM3-TL300299.5
AWM3-TL600599.5

 

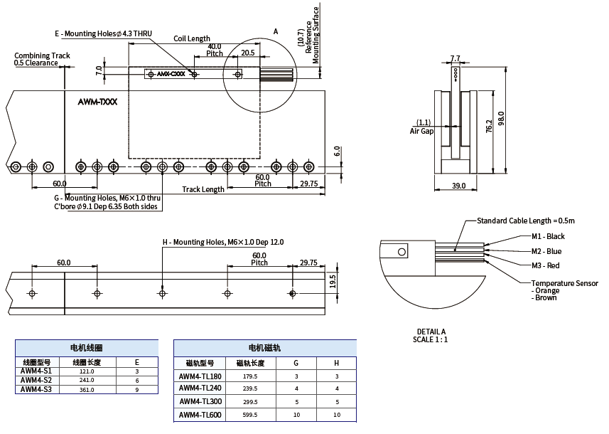
AWM4

电机线圈线圈长度(mm)持续推力(N)峰值推力(N)
AWM4-S1121.079.6397.9
AWM4-S2241.0159.2795.8
AWM4-S3361.0238.71193.7

 

电机磁轨磁轨长度(mm)
AWM4-TL180179.5
AWM4-TL240239.5
AWM4-TL300299.5
AWM4-TL600599.5

 

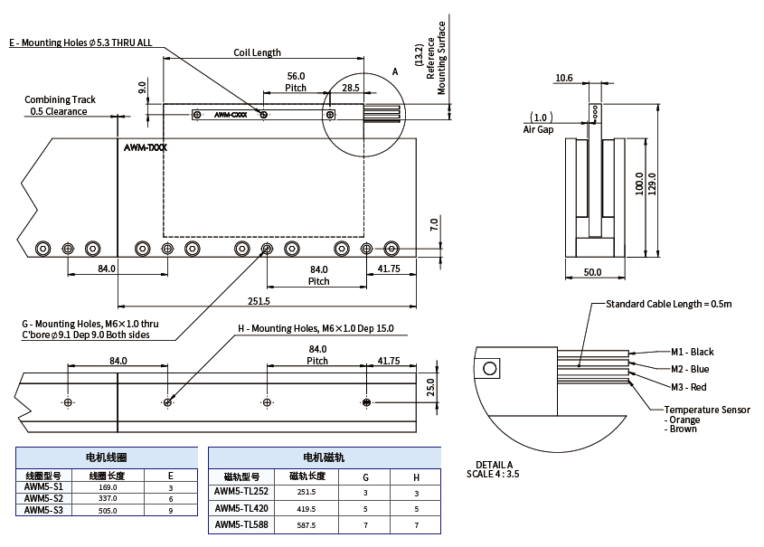
AWM5

电机线圈线圈长度(mm)持续推力(N)峰值推力(N)
AWM5-S1169.0138.3995.4
AWM5-S2337.0276.01990.9
AWM5-S3505.0414.82986.3

 


电机磁轨磁轨长度(mm)
AWM5-TL252251.5
AWM5-TL420419.5
AWM5-TL588587.5


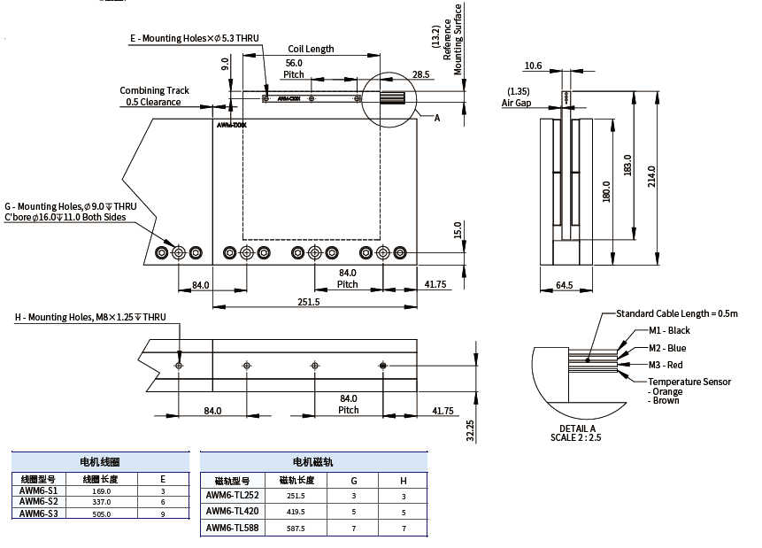
AWM6

电机线圈线圈长度(mm)持续推力(N)峰值推力(N)
AWM6-S1169.0256.41281.8
AWM6-S2337.0512.72563.5
AWM6-S3505.0769.13845.3

 

电机磁轨磁轨长度(mm)
AWM6-TL252251.5
AWM6-TL420419.5
AWM6-TL588

587.5


AWM1image.png

AWM2

image.png

AWM3image.png

AWM4

image.png

AWM5

image.png

AWM6

image.png


image.png

image.png

image.pngimage.pngimage.pngimage.png

image.png




相关产品
AJM系列
相关产品
AKM系列
相关产品
ALM 系列
相关产品
AKH系列
相关产品
AKD-A
在线留言
如果您有任何的建议或意见
请联系我们
cust-service@akribis-sys.cn
+86 21 58595800
留言