产品中心
AXD系列
直驱旋转电机 AXD系列与ACW类似,通过独特的机械设计实现扁平和大中孔的特性。区别是其为有铁芯型永磁电机,比ACW系列具有更高的扭矩密度。且具有更高的转速。
下载附件:
技术参数
  • 产品介绍
  • 规格参数
  • 尺寸图
  • 订购信息


设计特点

A. 直驱无刷电

B. 抗污染能力强

C. 集成编码器和轴承

D. 低齿槽转矩

E. 通过索引脉冲精准复位

F. 可选低速绕组或高速绕组

G. 高扭矩密度

H. 大尺寸中孔内径

电机规格外径高度中孔最高转速@峰值扭矩重复定位精度转动惯量
(mm)(mm)(mm)(rpm)(arc sec)(kg·m2)

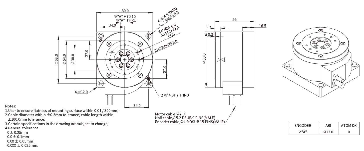
AXD80-56

80

56

12

3000

+/-6

1.82E-04

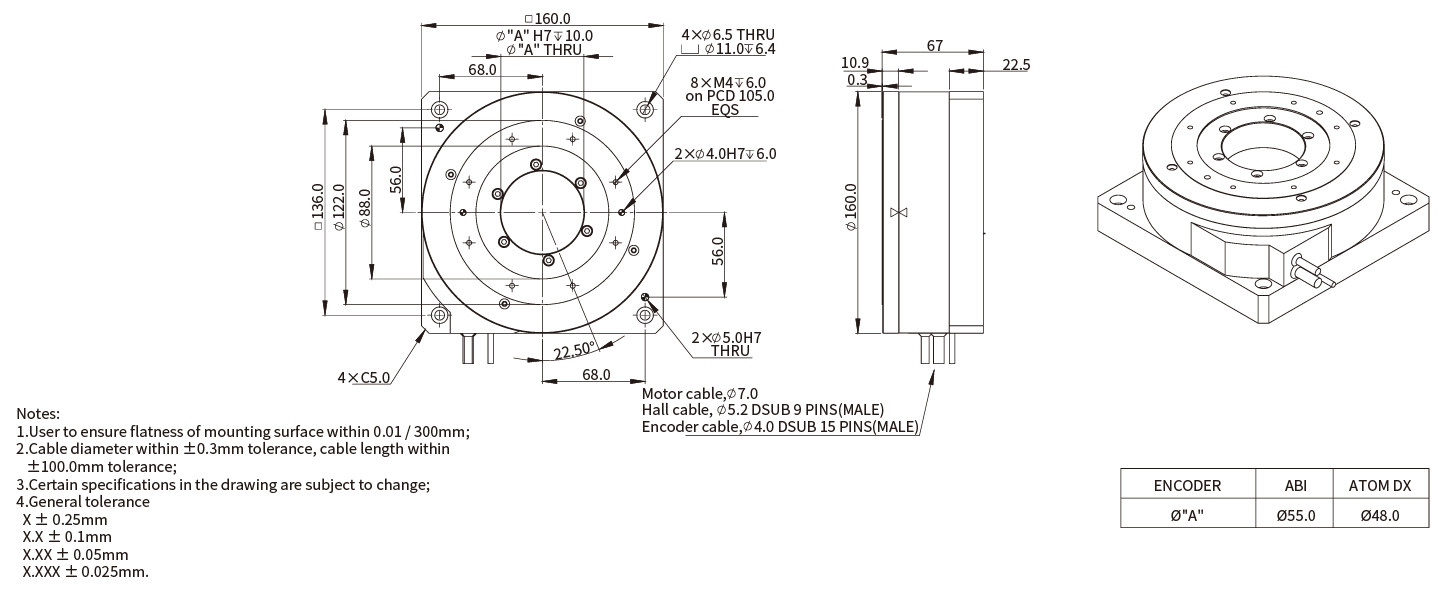
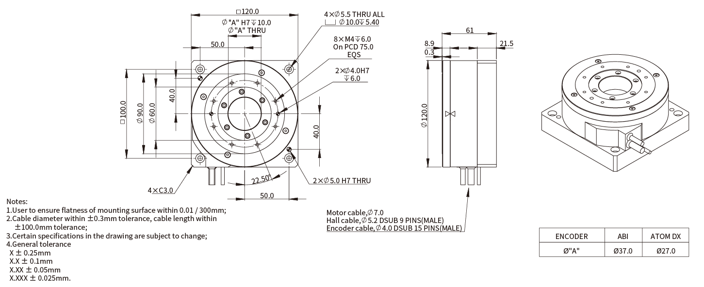
AXD120-61

120

61

37

1400

+/-3

1.02E-03

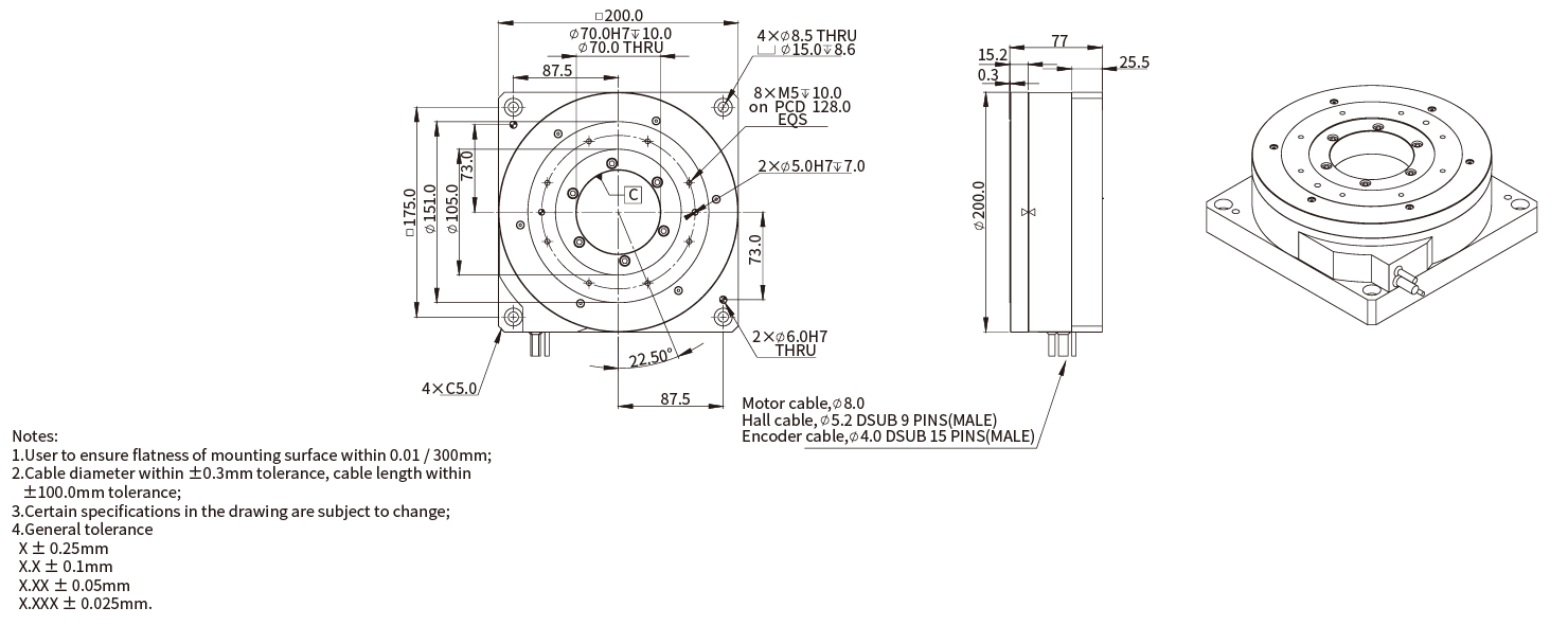
AXD160-67

160

67

55

600

+/-2.5

3.72E-03

AXD200-77

200

77

70

400

+/-2

1.00E-02

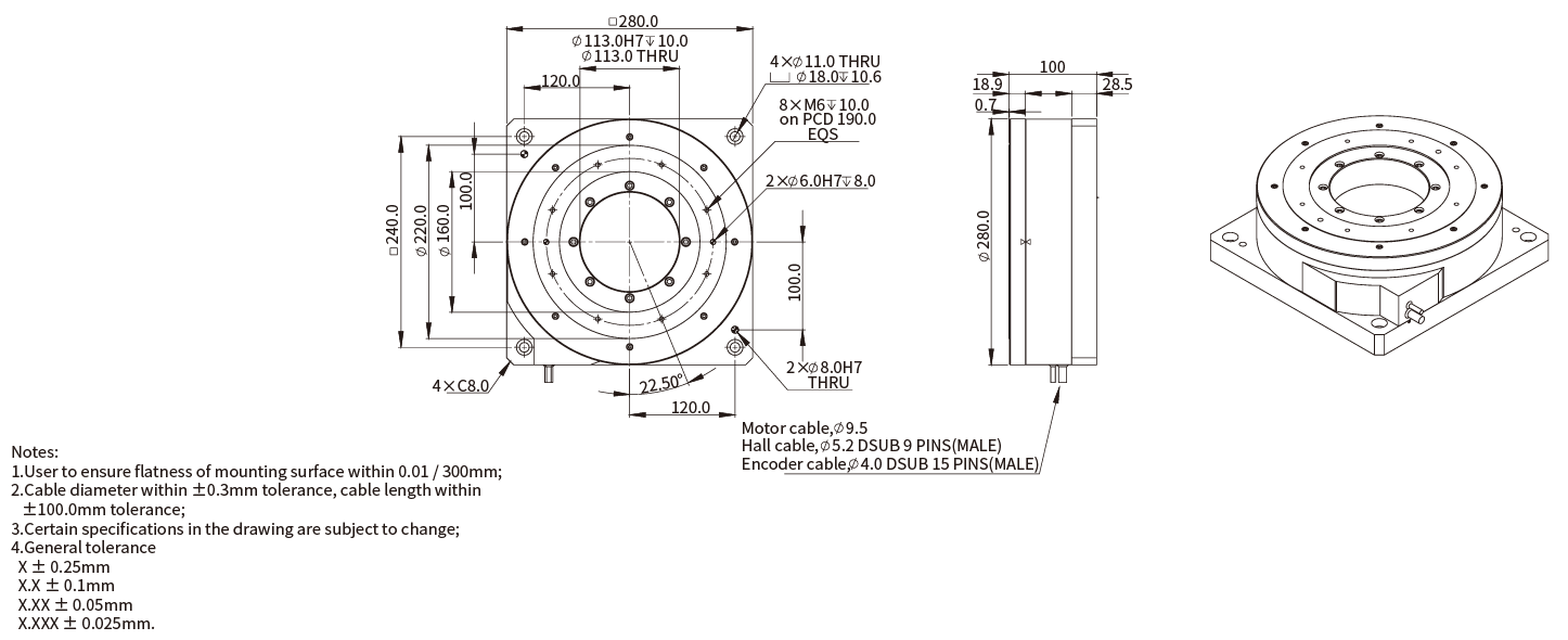
AXD280-100

280

100

113

220

+/-2

6.00E-02

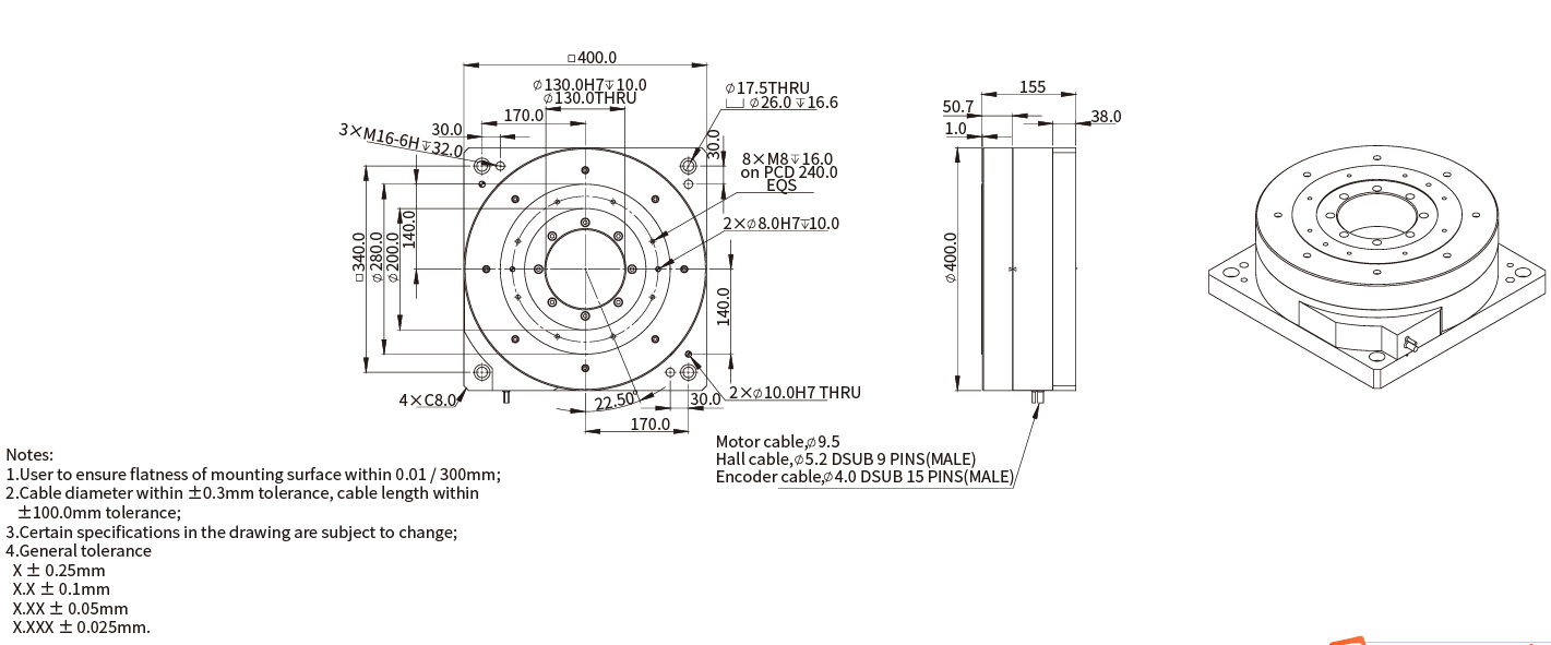
AXD400-155

400

155

130

130

+/-2

5.12E-01

注:

①测量基于ABI增量式光学编码器(SIN/COS,4096x)和最大母线电压。

②测量基于ABI增量式光学编码器(SIN/COS,4096x),标准端跳等级。

相关参数规格如有变动,恕不另行通知。


AXD80-56

image.png

AXD120-61

image.png

AXD160-67

image.png

AXD200-77

image.png


AXD280-100

image.png


AXD400-155

image.png


image.png


                       image.png                                             

相关产品
ADR-A系列
相关产品
ADR-P系列
相关产品
AXM系列
相关产品
ADR-T 系列
在线留言
如果您有任何的建议或意见
请联系我们
cust-service@akribis-sys.cn
+86 21 58595800
留言