产品中心
VRG-II 系列
VRG-II是多功能的龙门平台,电机推力与龙门负载重心一致。使用大推力密度无铁芯AUM电机,适用于重载多工位方案的设计。应用在高速取放,自动化组装,点胶等。
  • 产品介绍
  • 规格参数
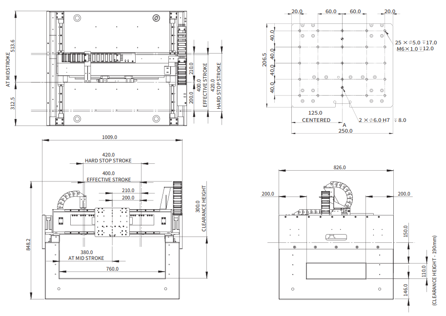
  • 尺寸图
  • 订购信息

设计特点:

A. 多功能的龙门平台,电机推力与龙门负载重心一致

B. 使用无铁芯电机

C. 速度波动小


电机参数单位LU
电机型号-AUM5-S4×2AUM5-S2
持续推力(自冷) @100?C①N393×2197
峰值推力N2830×21415
力常数 ±10%N/Arms157.278.6
反电势常数 ±10%Vpeak/(m/s)128.464.2
相间电阻 @25?C ±10%②Ω16.528.28
相间电感 ±40%③mH26.0013.00
持续电流(自冷) @100?C①Arms2.52.5
峰值电流Arms18.018.0
最高母线电压Vdc330330
电磁周期mm8484
机械参数单位LU
有效行程mm400400
额定负载kg20
空载运动质量kg404
最大加速度m/s22020
最大速度m/s22
编码器参数μm0.05/0.5/SINCOS0.05/0.5/SINCOS
最小机械步长μm0.50.5
重复定位精度μm±1.5±1.0
绝对定位精度μm±10.0±10.0
直线度μm±10.0±10.0
平面度μm±10.0±10.0
横摆角arcsec±10.0±10.0
俯仰角arcsec±10.0±10.0
正交性arcsec10.0
空载平台总质量kg570


注:

1 测量时环境温度为25?C,取决于散热环境。

2 电阻测量采用直流电流,含0.5米标准线缆。

3 电感测量频率1kHz,AUM系列电感浮动范围较大为±40%是因为三相电感不同,样册标定数值为最大值与最小值的平均值,对于每一相电感,浮动范围为±20%。

此参数表是此种类型平台典型值。

请联系我们获取更多选项。

特殊环境要求,可定制,请联系cust-service@akribis-sys.cn。

相关参数规格如有变动,恕不另行通知。


image.png                                                                     

     image.png                                                              

相关产品
VRG-I 系列
相关产品
VRG-III 系列
在线留言
如果您有任何的建议或意见
请联系我们
cust-service@akribis-sys.cn
+86 21 58595800
留言