产品中心
SGR 系列
雅科贝思SGR系列使用棒状电机直驱定位系统。由直线导轨、棒状电机、编码器反馈和铝制外壳组成紧凑型模组。
下载附件:
技术参数
  • 产品介绍
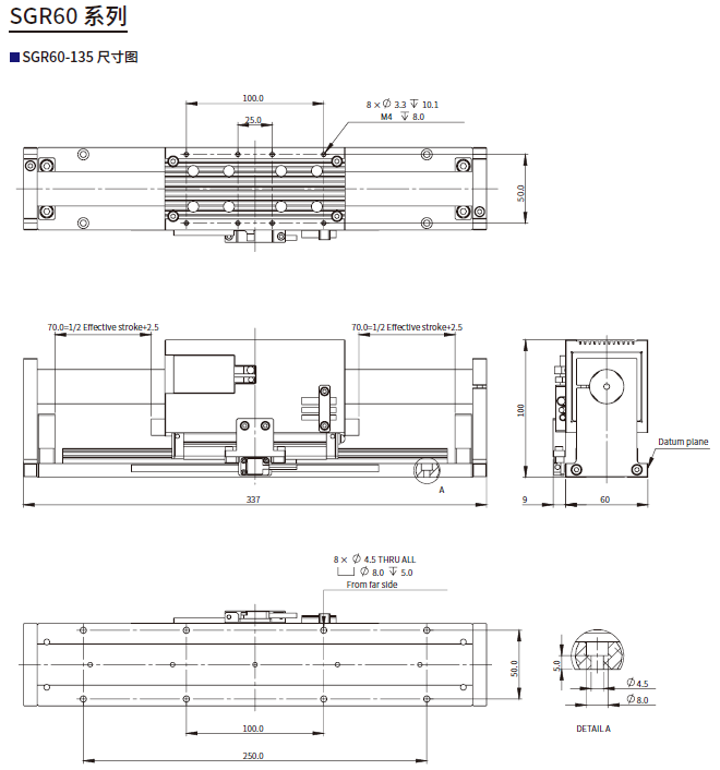
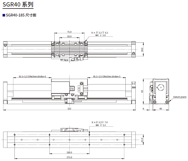
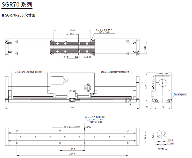
  • 规格参数
  • 尺寸图
  • 订购信息

设计特点

A. 单导轨直驱模组

B.使用无铁芯棒状电机

C.行程从70mm到720mm,可定制

D.使用0.2μm分辨率光栅编码器

E.更少的零件,经济型配置



电机参数单位SGR30SGR40
电机型号-RDM020-A-B3RDM030-A-B3
持续推力(自冷) @100?C①N3.118.6
峰值推力N9.355.8
力常数 ±10%N/Arms3.0011.00
反电势常数 ±10%Vpeak/(m/s)2.458.94
相间电阻 @25?C ±10%②Ω4.474.19
相间电感 ±40%③mH0.360.93
持续电流(自冷) @100?C①Arms1.031.70
峰值电流Arms3.095.10
最高母线电压Vdc6060
电磁周期mm3060
机械参数单位SGR30SGR40
行程mm70145235185275365
分辨率μm0.20.2
重复定位精度μm±2±2
额定负载kg1.05.0
空载运动质量kg0.190.46
空载总质量kg0.440.590.761.601.942.29
最大容许力矩Nm0.10.5


电机参数单位SGR60SGR70
电机型号-RDM050-A-B7RDM060-A-B5
持续推力(自冷) @100?C①N60.2114.8
峰值推力N180.6344.5
力常数 ±10%N/Arms41.8058.00
反电势常数 ±10%Vpeak/(m/s)34.1347.36
相间电阻 @25?C ±10%②Ω12.078.91
相间电感 ±40%③mH3.134.57
持续电流(自冷) @100?C①Arms1.441.98
峰值电流Arms4.325.94
最高母线电压Vdc330330
电磁周期mm37.272
机械参数单位SGR60SGR70
行程mm135320500690285500720
分辨率μm0.20.2
重复定位精度μm±2±2
额定负载kg15.025.0
空载运动质量kg1.63.2
空载总质量kg3.13.94.65.46.78.09.4
最大容许力矩Nm3.58.5



注:

1 测量室温25?C,取决于散热环境。

2 电阻测量采用直流电流,含0.5米标准线缆。 

3 电感测量频率1kHz。

★安装面精度需要保证20um以内。

★测量数值基于雅科贝思测量标准。

相关参数规格如有变动,恕不另行通知。



image.png


image.png

image.png



image.png


image.png


image.png



image.png


image.png


image.png


image.png



image.png


image.png


image.png





image.png


image.png


image.png


image.png



相关产品
DGL系列
相关产品
DGC系列
相关产品
DGH 系列
在线留言
如果您有任何的建议或意见
请联系我们
cust-service@akribis-sys.cn
+86 21 58595800
留言