产品中心
柔性传输系统
高柔、高效、高精智能化生产线传输系统
下载附件:
技术参数
  • 产品介绍
  • 规格参数
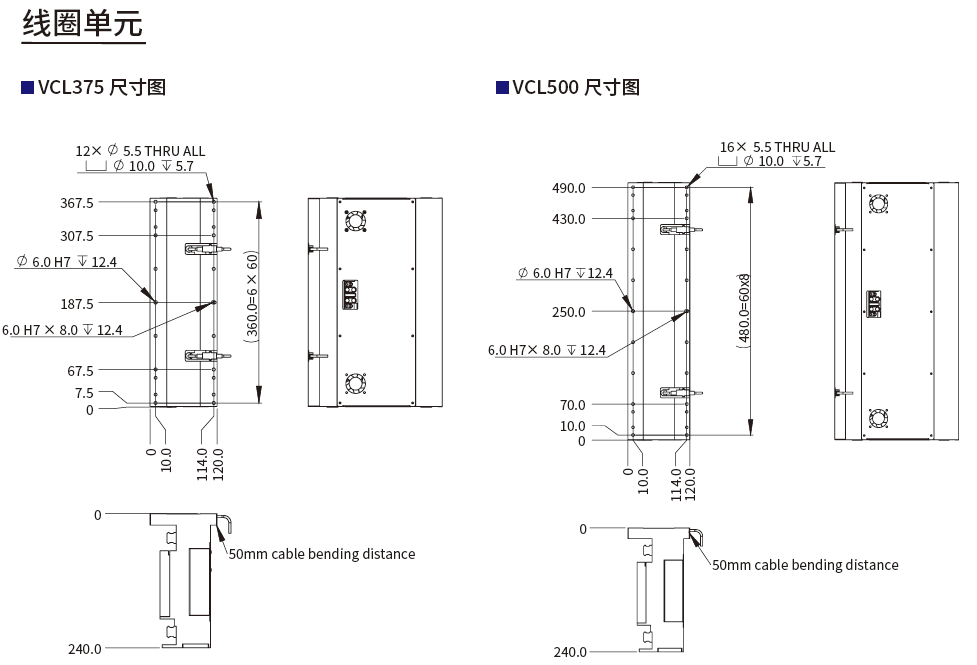
  • 尺寸图
  • 订购信息

设计特点:

A. 全直驱技术

B. 模块化设计,系统长度和小车数量灵活组配

C. 单个小车独立控制,实时位置监控

D. 重复定位可达±10μm,小车最大速度可达2m/s


接驳线

参数规格单位ADC120 ADC270
峰值力N573573
最大负载kg4040
最大速度m/s22
重复定位精度μm±10±10
最大线长m500500
最大小车数量Pcs250250
两小车最小中心距mm250250
线性模块长度mm375/500375/500
移动小车最小长度mm140180
移动小车质量kg3.53.5
输入电源Vdc4848
使用温度°C10~5010~50
使用湿度-35% ~ 85%RH (无凝结)35% ~ 85%RH (无凝结)


环形线

参数规格单位ADC220
峰值力N332
最大负载kg40
最大速度m/s3
重复定位精度μm±30
最大线长m500
最大小车数量Pcs250
两小车最小中心距mm250
线性模块长度mm375/500
移动小车最小长度mm140
移动小车质量kg3
输入电源Vdc48
使用温度°C10~50
使用湿度-35% ~ 85%RH (无凝结)

注:

小车峰值力可通过加长磁铁实现倍增,具体信息请咨询Akribis销售。




接驳线ADC120

image.png

image.png


接驳线ADC270

image.png

image.png

环形线ADC220

image.png

image.png





接驳线订购规则

image.png


环形线订购规则

image.png

在线留言
如果您有任何的建议或意见
请联系我们
cust-service@akribis-sys.cn
+86 21 58595800
留言