产品中心
AFC90SMZ
AFC90SMZ系列模组是AFC90系列的衍生Z轴产品,搭载AFC90直线模组,使用磁力弹簧平衡重力,是紧凑型高性能运动台。
  • 产品介绍
  • 规格参数
  • 尺寸图
  • 订购信息

设计特点

A. 紧凑型设计

B. 自润滑直线导轨

C. 直驱技术

D. 磁力弹簧配重

E. 高精度光学编码器



电机参数单位AFC90SMZ-25-C13AFC90SMZ-25-C15AFC90SMZ-50-C13AFC90SMZ-50-C15
电机型号-CLC0001-025-B3CLC0001-025-B5CLC0001-025-B3CLC0001-025-B5
持续推力@100°C①N20.034.020.034.0
峰值推力N55.091.055.091.0
力常数 ±10%N/Arms8.113.58.113.5
反电势常数 ±10%Vpeak/(m/s)6.611.16.611.1
相间电阻 @25°C ±10%②Ω1.72.81.72.8
相间电感 ±30%③mH0.81.40.81.4
持续电流(自冷) @100°C①Arms2.52.52.52.5
峰值电流Arms7.57.57.57.5
最高电压Vdc48.048.048.048.0
电磁周期mm12.012.012.012.0
机械参数单位AFC90SMZ-25-C13AFC90SMZ-25-C15AFC90SMZ-50-C13AFC90SMZ-50-C15
行程mm25.0
25.0
50.0
50.0
分辨率μm0.050.050.050.05
重复定位精度μm±0.5
±0.5
±0.5
±0.5
水平直线度μm±2.5±2.5±2.5±2.5
垂直直线度μm±3.0±3.0±3.0±3.0
额定负载④kg1.51.51.51.5
空载运动质量kg0.80.90.81.0
空载总质量kg1.41.81.51.9
最大容许侧倾力矩Nm2.03.02.03.0
最大容许俯仰力矩Nm3.04.03.04.0
最大容许横摆力矩Nm2.03.02.03.0

注:

1 测量环境温度为26°C,数值取决于热环境。 

2 电阻测量采用直流电流,含0.5米标准线缆。 

3 电感是通过1kHZ的电流频率来测量的。 

4 在无悬臂的情况下,模组的负载能力。 

★受磁力弹簧实际出力影响,额定负载最大偏差±12%。

相关参数规格如有变动,恕不另行通知。


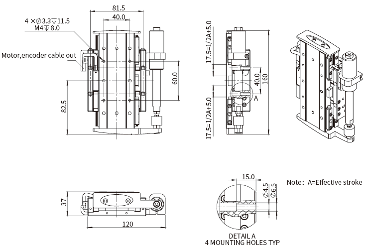
AFC90SMZ-25-C13

image.png


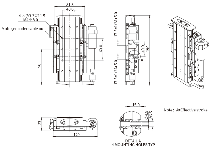
AFC90SMZ-25-C15

image.png


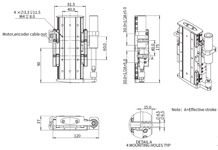
AFC90SMZ-50-C13

image.png


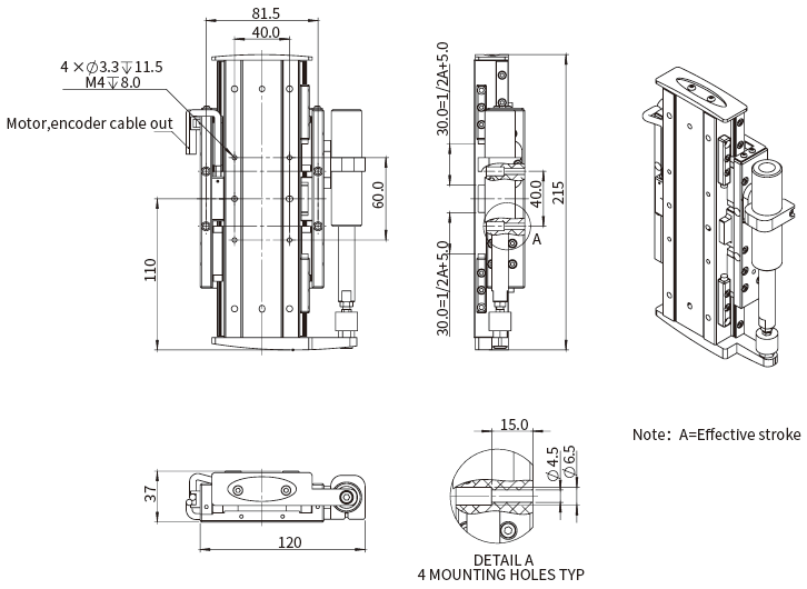
AFC90SMZ-50-C15

image.png


image.png

相关产品
AMR
相关产品
AMZ
相关产品
XRG
相关产品
LML70
在线留言
如果您有任何的建议或意见
请联系我们
cust-service@akribis-sys.cn
+86 21 58595800
留言